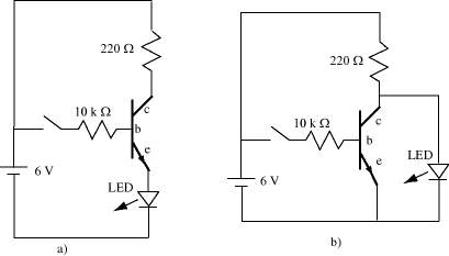
Transistor Lab

 

Construct circuit a) and answer questions. Then modify it to make circuit b) and answer the questions.

Use the following table to record your data:

  1. Is the LED on when the switch is open or closed in each circuit? Why?
  2. For each circuit measure the voltages across the resistors when the the switch is closed and when it is open.
  3. Use Ohm's Law to calculate currents through the base, Ib, and throught the collector, Ic.
  4. Compute the ratio Ic/Ib, called the amplification factor. What does this tell you about transistors?
  5. A perfect transistor switch would have a collector-to-emitter voltage Vce of zero. Measure Vce for your transistor when it is on.

 

Circuit a)

 

Circuit b)

 

Switch

Open

Closed

Open

Closed

LED

 

     

V across 220 W

 

     

V across 10k W

 

     

Ib (mA)

 

     

Ic (mA)

 

     

Amplification factor

       

Vce

 

     

Summarize in words what you discovered about transistors: